Recommended Products
咨詢熱線:
0519-82518168
電話:18922852877
郵箱:jacky@www.gzdzmusic.com
QQ:523062883
地址:江蘇省常州市金壇區儒林開發區長豐路18號
三極管8050是非常常見的NPN型晶體三極管,在各種放大電路中經常看到它,應用范圍很廣,主要用于高頻放大。也可用作開關電路。

工作原理
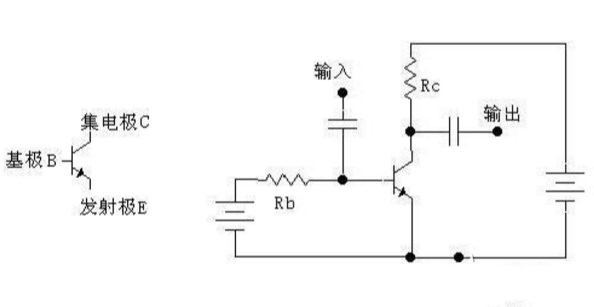
三極管8050是一種控制元件,主要用來控制電流的大小,有三個極,分別叫做集電極C、基極B、發射極E。以共發射極接法為例(信號從基極輸入,從集電極輸出,發射極接地),利用8050三極管工作理,當基極電壓UB有一個微小的變化時,基極電流Ib也會隨之有一小的變化,受基極電流Ib的控制,集電極電流Ic會有一個很大的變化,基極電流Ib越大,集電極電流Ic也越大,反之,基極電流越小,集電極電流也越小,即基極電流控制集電極電流的變化。
但是集電極電流的變化比基極電流的變化大得多,這就是三極管的放大作用。Ic的變化量與Ib變化量之比叫做三極管的放大倍數β(β=ΔIc/ΔIb,Δ表示變化量。),三極管的放大倍數β一般在幾十到幾百倍。三極管在放大信號時,首先要進入導通狀態,即要先建立合適的靜態工作點,也叫建立偏置,否則會放大失真。
在三極管8050的集電極與電源之間接一個電阻,可將電流放大轉換成電壓放大:當基極電壓Ub升高時,Ib變大,Ic也變大,Ic在集電極電阻Rc的壓降也越大,所以三極管集電極電壓Uc會降低,且Ub越高,Uc就越低,ΔUc=ΔUb。對三極管放大作用的理解,切記一點:能量不會無緣無故的產生,所以,三極管一定不會產生能量,但三極管厲害的地方在于:它可以通過小電流控制大電流。
